Özünü yenidən quran təzyiq həddini vuran mikro keçid, mexaniki yerdəyişmə tərəfindən tetiklemek bir idarəetmə elementi olaraq, avtomatlaşdırılmış başlanğıc və ya təhlükəsizlik qorunmasının hərəkət sərhədlərini dəqiq idarə etmək, sənayenin, məişət texnikası və nəqliyyat kimi geniş tətbiq olunur.
Keçid etmək Taxmaqtüfəng
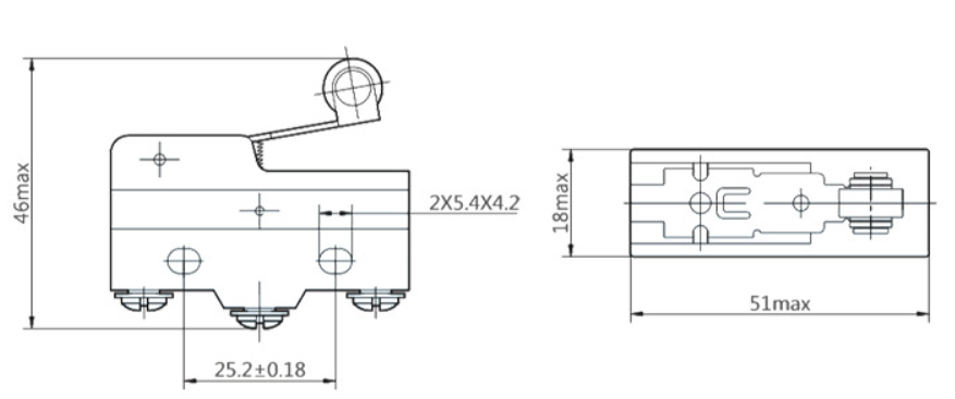
Səyahət limiti açarı, kontaktların hərəkəti üçün istifadə olunur və tətbiqin hərəkət edən hissələri əvvəlcədən qurulmuş bir mövqeyə keçdikdə (məsələn, bir roller və ya qol kimi), yanında və söndürmə üçün daxili mexaniki quruluşu, bununla da cihazın başlanğıcını və dayanacağını açmaq üçün kəsilmək üçün daxili mexaniki quruluşu idarə edir və ya prosesin keçməsi.
Keçid etmək Ərizəçition
Tənəffüs, freze maşınları və emal mərkəzləri, həddindən artıq açarlar kimi avadanlıqlarda bələdçi dəmir yolunun və ya sürüşmə masasının hər iki ucunda da çoxdur. Məsələn, alət sahibi, alət sahibi yolun sonuna yaxınlaşdıqda, alət sahibinin yolun üstündən keçməsinə və maşın gövdəsi ilə toqquşmasının qarşısını alan, nəqliyyat gücünü kəsmək üçün başlandı. Eynilə, freze maşınının iş masası yan-yana yan-yana və ya arxa tərəfə keçəndə, keçid, iş parçası və maşın komponentləri arasındakı müdaxilənin qarşısını alır, bununla da kəsici vasitəni qoruyur və dəqiqliyi təmin edir.
Keçid etmək Təfərrüatlar
