Plastic Magnetic Micro Switch, maqnit sahəsi siqnalları vasitəsilə dövrəni açıb-söndürməyə nəzarət edən açar cihazıdır. Onun əsas xüsusiyyəti təmassız əməliyyatdır, buna görə də sürətli reaksiya, uzun xidmət müddəti və yüksək etibarlılıq üstünlüklərinə malikdir və sənaye avtomatlaşdırma, təhlükəsizlik, avtomobil və ağıllı ev sahələrində geniş istifadə olunur.
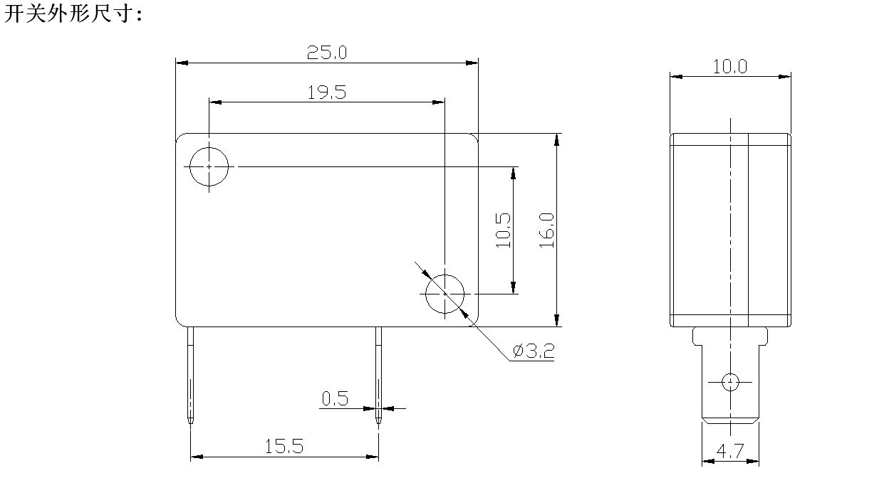
Micro Switch Giriş
Maqnit açarı, maqnit sahəsi siqnalları vasitəsilə dövrəni açıb-söndürməyə nəzarət edən bir keçid cihazıdır. Onun əsas xüsusiyyəti təmassız əməliyyatdır, buna görə də sürətli reaksiya, uzun xidmət müddəti və yüksək etibarlılıq üstünlüklərinə malikdir və sənaye avtomatlaşdırma, təhlükəsizlik, avtomobil və ağıllı ev sahələrində geniş istifadə olunur.
Mikro Keçid Parametri (Spesifikasiya)
| Keçidin Texniki Xüsusiyyətləri: | |||
| ƏŞYA | Texniki Parametr | Dəyər | |
| 1 | Elektrik Reytinq | 5(2)A/10A/16(3)A/21(8)A 250VAC | |
| 2 | Əlaqə müqaviməti | ≤30mΩ İlkin dəyər | |
| 3 | İzolyasiya Müqaviməti | ≥100MΩ (500VDC) | |
| 4 |
Dielektrik Gərginlik |
Arasında bağlı olmayan terminallar |
1000V/0.5mA/60S |
|
Terminallar arasında və metal çərçivə |
3000V/0.5mA/60S | ||
| 5 | Elektrik Ömrü | ≥50000 dövr | |
| 6 | Mexanik Həyat | ≥1000000 dövr | |
| 7 | İşləmə temperaturu | -25~125° | |
| 8 | Əməliyyat Tezliyi |
elektrik :15 dövr Mexanik: 60 dövrə |
|
| 9 | Vibrasiya Proof |
Vibrasiya Tezliyi: 10~55HZ; Amplituda: 1,5 mm; Üç istiqamət: 1H |
|
| 10 |
Lehimləmə qabiliyyəti: Batırılmış hissənin 80% -dən çoxu lehimlə örtülməlidir |
Lehimləmə temperaturu: 235±5 ℃ Daldırma vaxtı: 2~3S |
|
| 11 | Lehimin İstilik Müqaviməti |
Dip Lehimləmə: 260±5℃ 5±1S Əllə lehimləmə: 300±5℃ 2~3S |
|
| 12 | Təhlükəsizlik Təsdiqləri | UL, CSA, VDE, ENEC, TUV, CE, KC, CQC | |
| 13 | Test şərtləri |
Ətraf mühitin temperaturu: 20±5℃ Nisbi Rütubət: 65±5%RH Hava təzyiqi: 86~106KPa |
|
Micro Switch Xüsusiyyəti və Tətbiqi
Mikro keçid təfərrüatları
