Yueqing Tongda Wire Electric Factory-nin mikro açar seriyasının etalon modeli olaraq, Mikrodalğalı Soba və Paltaryuyan Maşın Mikro Dəyişdirici əsas üstünlükləri kimi "yüksək həssaslıq, ultra uzun ömür və çox ssenariyə uyğunlaşma" xüsusiyyətlərinə malikdir. Şirkətin 35 illik açar istehsalı təcrübəsini birləşdirərək, minimal təmas boşluğu və sürətli hərəkət mexanizmi sayəsində məişət texnikası, avtomobil elektronikası, sənaye avtomatlaşdırılması və digər sahələrdə əsas idarəetmə komponentinə çevrilmişdir. Onun performansı və etibarlılığı dünya miqyasında bir çox nüfuzlu təşkilatlar tərəfindən sertifikatlaşdırılmışdır və niş bazarında əsas mövqeyini təmin etmişdir.
Micro Switch Giriş
Məhsul UL, C-UL, ENEC, VDE, CE, CB, TUV, CQC və KC daxil olmaqla əsas qlobal təhlükəsizlik sertifikatlarına malikdir, IEC 61058 standartına uyğundur və Avropa, Amerika və Asiya-Sakit Okean kimi regionlarda bazara giriş tələblərinə cavab verir. Şirkət ISO9001 və IATF 16949 keyfiyyət idarəetmə sistemi sertifikatlarına nail olub və RoHS və REACH ekoloji direktivlərini ciddi şəkildə həyata keçirir, bütün istehsal prosesi boyunca zərif nəzarəti təmin edir. 6 milli ixtira patenti və 48 faydalı model patenti ilə HK-14 seriyası sənayedə aparıcı etibarlılıq və ardıcıllıq səviyyələrinə nail olur.
Quraşdırma və İstifadə Təlimatları
Quraşdırarkən, qeyri-bərabər səthlərin səbəb olduğu nasazlığın və ya korpusun zədələnməsinin qarşısını almaq üçün açar düz bir səthə quraşdırılmalı və düz yuyucu və ya yay yuyucusu ilə bərkidilməlidir. Ətraf mühitə əsaslanan modelləri seçin: rütubətli və ya tozlu şəraitdə qorunmanı gücləndirmək üçün möhürlənmiş xüsusi versiyadan istifadə etmək tövsiyə olunur. Kontaktın yapışmasının, funksional nasazlıqların və hətta yanmaların qarşısını almaq üçün düyməyə və ya aktuatora sürtkü yağı sürtməyin. Saxlama zamanı məhsulu quru, havalandırılan, yağış və ya qardan qorunan yerdə saxlayın və komponentin köhnəlməsinə səbəb ola biləcək yüksək temperatur və rütubətdən qaçın, məhsulun orijinal işini saxlamasını təmin edin.
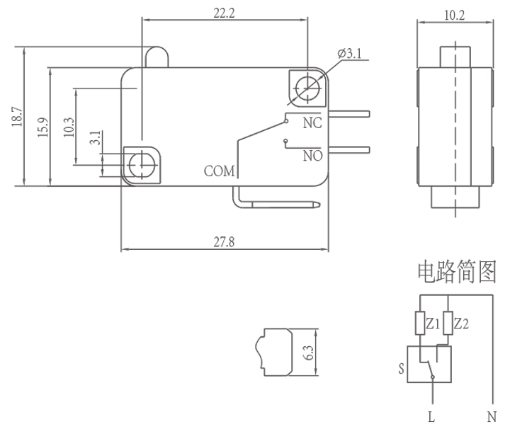
Mikro Keçid Parametri (Spesifikasiya)
| Keçidin Texniki Xüsusiyyətləri: | |||
| ƏŞYA | Texniki Parametr | Dəyər | |
| 1 | Elektrik Reytinq | 5(2)A/10A/16(3)A/21(8)A 250VAC | |
| 2 | Əlaqə müqaviməti | ≤30mΩ İlkin dəyər | |
| 3 | İzolyasiya Müqaviməti | ≥100MΩ (500VDC) | |
| 4 |
Dielektrik Gərginlik |
Arasında bağlı olmayan terminallar |
1000V/0.5mA/60S |
|
Terminallar arasında və metal çərçivə |
3000V/0.5mA/60S | ||
| 5 | Elektrik Ömrü | ≥50000 dövr | |
| 6 | Mexanik Həyat | ≥1000000 dövr | |
| 7 | İşləmə temperaturu | -25~125° | |
| 8 | Əməliyyat Tezliyi |
elektrik :15 dövr Mexanik: 60 dövrə |
|
| 9 | Vibrasiya Proof |
Vibrasiya Tezliyi: 10~55HZ; Amplituda: 1,5 mm; Üç istiqamət: 1H |
|
| 10 |
Lehimləmə qabiliyyəti: Batırılmış hissənin 80% -dən çoxu lehimlə örtülməlidir |
Lehimləmə temperaturu: 235±5 ℃ Daldırma vaxtı: 2~3S |
|
| 11 | Lehimin İstilik Müqaviməti |
Dip Lehimləmə: 260±5℃ 5±1S Əllə lehimləmə: 300±5℃ 2~3S |
|
| 12 | Təhlükəsizlik Təsdiqləri | UL, CSA, VDE, ENEC, TUV, CE, KC, CQC | |
| 13 | Test şərtləri |
Ətraf mühitin temperaturu: 20±5℃ Nisbi Rütubət: 65±5%RH Hava təzyiqi: 86~106KPa |
|
Micro Switch Xüsusiyyəti və Tətbiqi
Mikro keçid təfərrüatları
