Yueqing Tongda Wire Electric Factory-nin mikro açar seriyasının etalon modeli olaraq, HK-14 Mikrodalğalı Soba Normalda Açıq Limit Aşkarlama Dəyişdiricisi əsas üstünlükləri kimi "yüksək həssaslıq, ultra uzun ömür və çox ssenariyə uyğunlaşma" xüsusiyyətlərinə malikdir. Şirkətin 35 illik açar istehsalı təcrübəsini birləşdirərək, minimal təmas boşluğu və sürətli hərəkət mexanizmi sayəsində məişət texnikası, avtomobil elektronikası, sənaye avtomatlaşdırılması və digər sahələrdə əsas idarəetmə komponentinə çevrilmişdir. Onun performansı və etibarlılığı dünya miqyasında bir çox nüfuzlu təşkilatlar tərəfindən sertifikatlaşdırılmışdır və niş bazarında əsas mövqeyini təmin etmişdir.
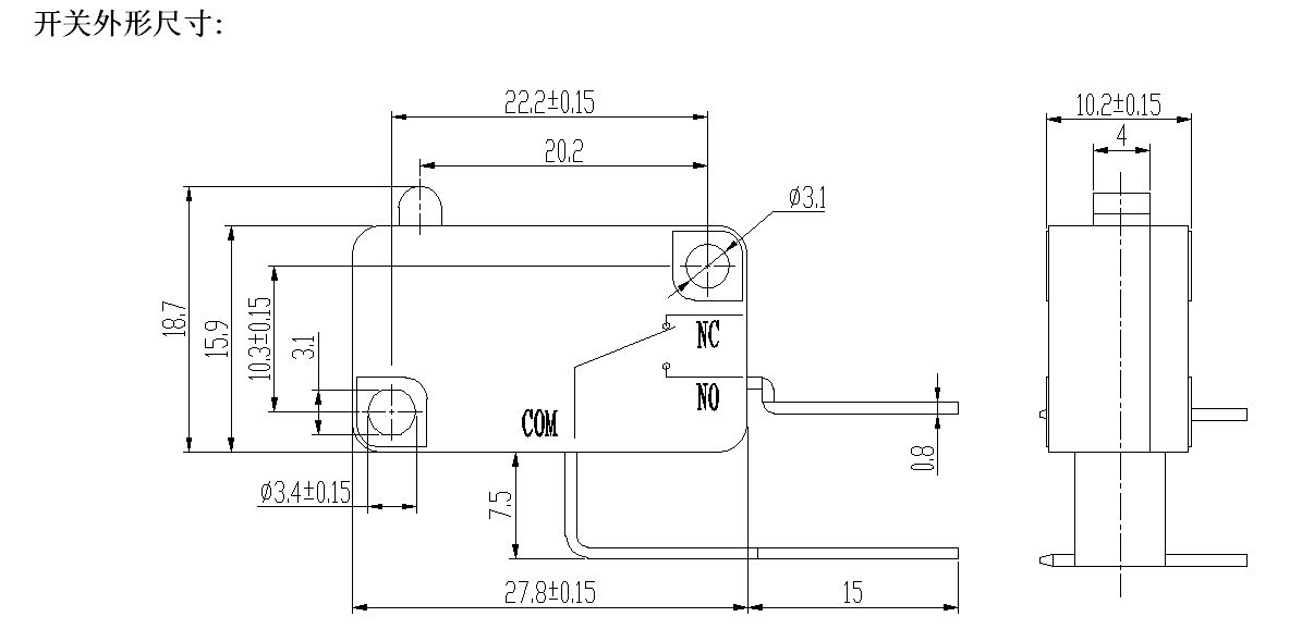
Micro Switch Giriş
Yueqing Tongda "xammal - istehsal - hazır məhsul"dan tutmuş bütün prosesi əhatə edən hərtərəfli keyfiyyət idarəetmə sistemi yaratmışdır. HK-14 seriyası, xammalın anbarından hazır məhsulun daşınmasına qədər 16 əsas sınaqdan keçir, o cümlədən təmas müqaviməti sınağı, izolyasiya performansı sınağı, gərginliyə qarşı müqavimət sınağı, yüksək və aşağı temperatur dövrü sınağı, dayanıqlılıq presləmə sınağı, duz spreyi sınağı, vibrasiya sınağı və s. Məhsulların hər partiyası üçün 100% zavod keçid dərəcəsini təmin etmək üçün dağıdıcı limit testi üçün təsadüfi 3% seçilir. Şirkət məhsulun dəqiqliyini və performans sabitliyini təmin etmək üçün 20 tam avtomatlaşdırılmış dəqiq istehsal xətti, eləcə də beynəlxalq səviyyədə qabaqcıl sınaq avadanlığı (Almaniyadan Zeiss koordinat ölçmə maşını və ABŞ-dan Fluke elektrik məhsuldarlığının test cihazı kimi) ilə təchiz edilmişdir.
Tipik Populyar Modellər və Tətbiq Ssenariləri:
HK-14-1X-16A-P-200: Normal açıq, 16A 250VAC, metal diyircəkli ötürmə çubuğu — sənaye avtomatlaşdırma istehsal xətlərində hərəkət limitinə nəzarət üçün uyğundur, rulon dizaynı mexaniki aşınmanı azaldır
HK-14-1-16AP-715: Normalda qapalı, 16A 250VAC, qısa menteşəli diyircəkli ötürücü çubuq — tibbi sınaq avadanlıqlarında dəqiq işə salmaq üçün uyğundur, normal qapalı dizayn enerji söndürüldükdə avadanlığın təhlükəsizliyini təmin edir
HK-14-16AP-605: Dəyişmə növü, 16A 250VAC, geniş temperatur dizaynı — yeni enerjili avtomobil akkumulyator paketlərində temperatur monitorinq açarları üçün uyğundur, -40°C~125°C geniş temperatur diapazonu ekstremal bort mühitlərinə uyğundur
HK-14-1X-5A-320: Normal açıq, 5A 250VAC, düymə tipli ötürücü çubuğu — mikrodalğalı sobanın qapı açarları üçün uyğundur, həssas basma, yüksək səviyyəli təhlükəsizlik mühafizəsi
Tətbiq Ssenariləri
Məişət Avadanlıqları: Mikrodalğalı sobanın qapısına nəzarət, paltaryuyan maşın proqramına nəzarət, kondisionerin ventilyatorunun sürətinin tənzimlənməsi, avadanlığın təhlükəsiz istismarının təmin edilməsi
Sənaye Avtomatlaşdırılması: İstehsal xəttinin yerləşdirilməsi, robot limitinə nəzarət, konveyerin start-stop nəzarəti, istehsal səmərəliliyinin 35% artırılması
Avtomobil Elektronikası: Avtomobil şüşəsinin qaldırılması, oturacaq tənzimlənməsi, magistralın sensoru, sərt avtomobil mühiti üçün uyğundur
Tibbi Cihazlar: Cərrahi avadanlıqlara nəzarət, aşkarlama aləti siqnalının işə salınması, tibbi səviyyəli təhlükəsizlik standartlarına cavab verir
Hərbi sənaye: Silah avadanlığına nəzarət, rabitə cihazlarının dəyişdirilməsi, ekstremal iş şəraitinə uyğunlaşma və yüksək etibarlılıq tələbləri
Mikro Keçid Parametri (Spesifikasiya)
| Keçidin Texniki Xüsusiyyətləri: | |||
| ƏŞYA | Texniki Parametr | Dəyər | |
| 1 | Elektrik Reytinq | 5(2)A/10A/16(3)A/21(8)A 250VAC | |
| 2 | Əlaqə müqaviməti | ≤30mΩ İlkin dəyər | |
| 3 | İzolyasiya Müqaviməti | ≥100MΩ (500VDC) | |
| 4 |
Dielektrik Gərginlik |
Arasında bağlı olmayan terminallar |
1000V/0.5mA/60S |
|
Terminallar arasında və metal çərçivə |
3000V/0.5mA/60S | ||
| 5 | Elektrik Ömrü | ≥50000 dövrə | |
| 6 | Mexanik Həyat | ≥1000000 dövr | |
| 7 | İşləmə temperaturu | -25~125° | |
| 8 | Əməliyyat Tezliyi |
elektrik :15 dövr Mexanik: 60 dövrə |
|
| 9 | Vibrasiya Proof |
Vibrasiya Tezliyi: 10~55HZ; Amplituda: 1,5 mm; Üç istiqamət: 1H |
|
| 10 |
Lehimləmə qabiliyyəti: Batırılmış hissənin 80% -dən çoxu lehimlə örtülməlidir |
Lehimləmə temperaturu: 235±5 ℃ Daldırma vaxtı: 2 ~ 3S |
|
| 11 | Lehimin İstilik Müqaviməti |
Dip Lehimləmə: 260±5℃ 5±1S Əllə lehimləmə: 300±5℃ 2~3S |
|
| 12 | Təhlükəsizlik Təsdiqləri | UL, CSA, VDE, ENEC, TUV, CE, KC, CQC | |
| 13 | Test şərtləri |
Ətraf mühitin temperaturu: 20±5℃ Nisbi Rütubət: 65±5%RH Hava təzyiqi: 86~106KPa |
|
Micro Switch Xüsusiyyəti və Tətbiqi
Mikro keçid təfərrüatları

