Yueqing Tongda Wire Electric Factory-nin mikro açar seriyasının etalon modeli olaraq, UL, VDE və CE sertifikatlarına malik Yüksək Cərəyanlı Uzun Ömürlü Mikro Açar, əsas üstünlükləri kimi "yüksək həssaslıq, ultra uzun ömür və çox ssenariyə uyğunlaşma" xüsusiyyətlərinə malikdir. Şirkətin 35 illik açar istehsalı təcrübəsini birləşdirərək, minimal təmas boşluğu və sürətli hərəkət mexanizmi sayəsində məişət texnikası, avtomobil elektronikası, sənaye avtomatlaşdırılması və digər sahələrdə əsas idarəetmə komponentinə çevrilmişdir. Onun performansı və etibarlılığı dünya miqyasında bir çox nüfuzlu təşkilatlar tərəfindən sertifikatlaşdırılmışdır və niş bazarında əsas mövqeyini təmin etmişdir.
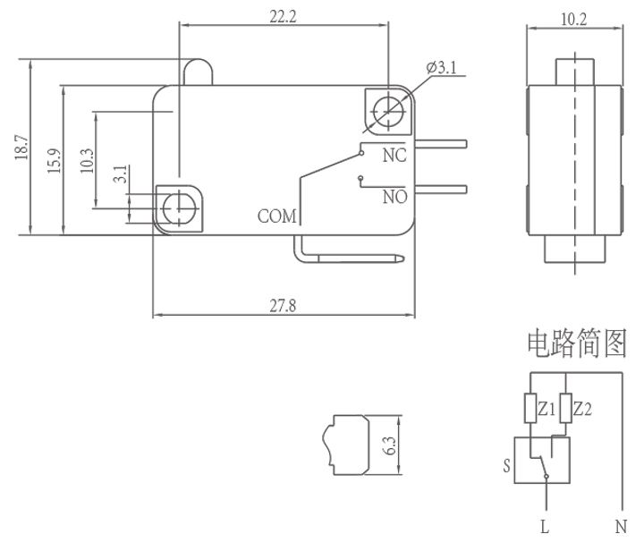
Micro Switch Giriş
Millisaniyəlik Dəqiq Tetikleme: 0,5-1,6 mm qısa səyahət və 0,25-4N tənzimlənən iş gücü ilə sürətli və ləngiməsiz reaksiya təmin edərək, "yanlış tetikleyicilerin" effektiv qarşısının alınması üçün sürətli hərəkət mexanizmini istifadə edir. Mikrodalğalı sobanın qapı idarələri və sənaye sensorları kimi yüksək dəqiqlikli ssenarilər üçün uyğundur.
Ultra Davamlı Keyfiyyət: Gücləndirilmiş konstruksiya ilə birləşdirilmiş yüksək keçiricilikli xəlitəli kontaktlar 1 milyon dövrədən çox mexaniki istifadə müddəti və 50.000 dövrədən çox elektrik istifadə müddəti təklif edir. Avtomobil elektronikası və elektrik alətləri kimi yüksək tezlikli istifadə mühitlərində uzunmüddətli stabil əməliyyat üçün idealdır.
Geniş Ətraf Mühitə Uyğunluq: -25 ℃ ilə 125 ℃ arasında geniş temperatur diapazonunda işləyir, 10-55 Hz yüksək tezlikli vibrasiyaya tab gətirir, ≥100MΩ izolyasiya müqavimətinə malikdir və 1000V AC gərginliyinə qarşı terminal dayanır. Sənaye emalatxanasının vibrasiyası və avtomobil mühərrik bölmələrində yüksək temperatur kimi çətin şəraitdə etibarlı performans.
Mikro Keçid Parametri (Spesifikasiya)
| Keçidin Texniki Xüsusiyyətləri: | |||
| ƏŞYA | Texniki Parametr | Dəyər | |
| 1 | Elektrik Reytinq | 5(2)A/10A/16(3)A/21(8)A 250VAC | |
| 2 | Əlaqə müqaviməti | ≤30mΩ İlkin dəyər | |
| 3 | İzolyasiya Müqaviməti | ≥100MΩ (500VDC) | |
| 4 |
Dielektrik Gərginlik |
Arasında bağlı olmayan terminallar |
1000V/0.5mA/60S |
| Terminallar arasında və metal çərçivə |
3000V/0.5mA/60S | ||
| 5 | Elektrik Ömrü | ≥50000 dövr | |
| 6 | Mexanik Həyat | ≥1000000 dövr | |
| 7 | İşləmə temperaturu | -25~125° | |
| 8 | Əməliyyat Tezliyi | elektrik :15 dövr Mexanik: 60 dövrə |
|
| 9 | Vibrasiya Proof | Vibrasiya Tezliyi: 10~55HZ; Amplituda: 1,5 mm; Üç istiqamət: 1H |
|
| 10 | Lehimləmə qabiliyyəti: Batırılmış hissənin 80% -dən çoxu lehimlə örtülməlidir |
Lehimləmə temperaturu: 235±5 ℃ Daldırma vaxtı: 2~3S |
|
| 11 | Lehimin İstilik Müqaviməti | Dip Lehimləmə: 260±5℃ 5±1S Əllə lehimləmə: 300±5℃ 2~3S |
|
| 12 | Təhlükəsizlik Təsdiqləri | UL, CSA, VDE, ENEC, TUV, CE, KC, CQC | |
| 13 | Test şərtləri | Ətraf mühitin temperaturu: 20±5℃ Nisbi Rütubət: 65±5%RH Hava təzyiqi: 86~106KPa |
|
Micro Switch Xüsusiyyəti və Tətbiqi
Mikro keçid təfərrüatları


