Yueqing Tongda Wire Electric Factory, açar istehsalında 35 illik təcrübəyə malik, Press-Fit və Lehimləmə Nişanları ilə peşəkar Dayanıqlı Mikro Switch müəssisəsi olaraq "tələb əsaslı fərdiləşdirmə, təhlükəsizliyi təmin edən texnologiya" üzərində mərkəzləşir və Rokçu Anahtarlar, Qırmızı Düymələr, Mikro Açarlar NO/NC, NC və müxtəlif sənaye açarları, o cümlədən Düymələr, Düymələr, Düymələr üçün müxtəlif həllər təmin edir. ağıllı ev, tibb və dənizçilik sektorları. Texnoloji yenilik və ciddi keyfiyyətə nəzarət ilə o, fərdi açarlar sahəsində bir etalon halına gəldi.
Micro Switch Giriş

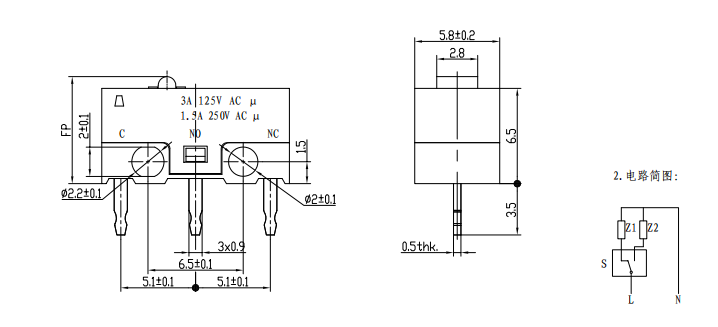
Mikro Keçid Parametri (Spesifikasiya)
| ƏŞYA | Əsas Texniki Parametrlər |
| 1 | Elektrik reytinqi: 3A 250VAC |
| 2 | Elektrik ömrü : Min.10000 dövr |
| 3 | Kontakt müqaviməti:<50mΩ |
| 4 | Əməliyyat gücü: 70±20gf |
| 5 | Sərbəst mövqe: 7.3±0.2mm |
| 6 | Əməliyyat mövqeyi: 7.0±0.2mm |
| 7 | Ətraf mühitin temperaturu: T85° |
| 8 | Dayanma Gərginliyi: Terminal və terminal arasında 500V/5S/5mA; |
| Terminallar və qutu arasında 1500/5S/5mA | |
| 9 | İzolyasiya Müqaviməti:>100MΩ Test Gərginliyi 500VDC |
| 10 | Proof İzləmə İndeksi PTI: 175V |
Mikro keçid təfərrüatları
