Əsas standartlaşdırma və fərdiləşdirmənin inteqrasiyasını təcəssüm etdirən Yueqing Tongda Tel Elektrik Zavodunun nümayəndəsi olaraq, Normalda Açıq və Normal Bağlı Yazıcılar üçün 5A Yüksək Temperatura Dayanıqlı Mikro Açar "sabitlik, etibarlılıq və səhnə uyğunluğu" əsas prinsipləri ilə hazırlanmışdır. O, elektrik performansında, qorunma səviyyələrində və istifadəçi təcrübəsində çoxsaylı optimallaşdırmalara nail olmaqla, şirkətin 35 illik açar istehsal təcrübəsini özündə birləşdirir. Keçid ağıllı ev enerjisinin paylanması, sənaye köməkçi avadanlıqları və kiçik tibbi alətlər kimi ssenarilərə geniş tətbiq oluna bilər ki, bu da onu universallığı fərdiləşdirmə potensialı ilə balanslaşdıran üstünlük verilən dövrə idarəetmə komponentinə çevirir.
Mikro keçidGiriş
Mikro açarlar (həmçinin snap-action açarları kimi tanınır) ani aktivləşdirməyə nail olmaq üçün yaylı mexanizmdən istifadə edir - yavaş basmağa ehtiyac yoxdur. Kontaktları tez bir zamanda aça və ya bağlaya bilərlər, gecikmədən sabit işləməyi təmin edirlər. Alıcılar üçün bu, daha yüksək dayanıqlıq (kontaktın aşınmasını azaltmaq) və dəqiqlik deməkdir, ilişmiş açarların yaratdığı təhlükəsizlik təhlükələrindən qaçmağa kömək edir.
Məhsulun keyfiyyətini qiymətləndirmək üçün alıcıların anlamalı olduqları əsas istehsal addımları aşağıdakılardır:
1. Komponentlərin istehsalı: Dəqiq işlənmiş metal kontaktlar və yaylar; davamlı korpus (plastik/metal materiallar).
2. Quraşdırma: Performansa təsir etməmək üçün yayları, kontaktları və ötürücüləri dəqiq şəkildə yığmaq.
3. Test: Etibarlılığı təmin etmək üçün ciddi sınaq (minlərlə mətbuat testləri, elektrik davamlılığı testləri).
4. Qablaşdırma: Asan daşınma üçün qoruyucu qablaşdırma, spesifikasiyaların aydın etiketlənməsi.
Mikro keçidƏrizə
Mikro açarlar geniş istifadə olunur və performans baxımından etibarlıdır, əsasən aşağıdakılarda tətbiq olunur:
- Məişət texnikası: soyuducu işıqları, mikrodalğalı sobanın qapı kilidləri, paltaryuyan maşının qapaq açarları və toster taymerləri.
- Sənaye avadanlıqları: konveyer lentləri, maşınlar və idarəetmə panelləri üçün uyğun olan ağır yük modelləri (toza və nəmə davamlı).
- Avtomobil sahəsi: ön şüşə silənlər, qapını aralayan göstəricilər — vibrasiyaya və həddindən artıq temperaturlara tab gətirə bilir.
- Elektron cihazlar: uzaqdan idarəetmə və oyun nəzarətçiləri üçün miniatür açarlar (cavab verən və uzunömürlü).
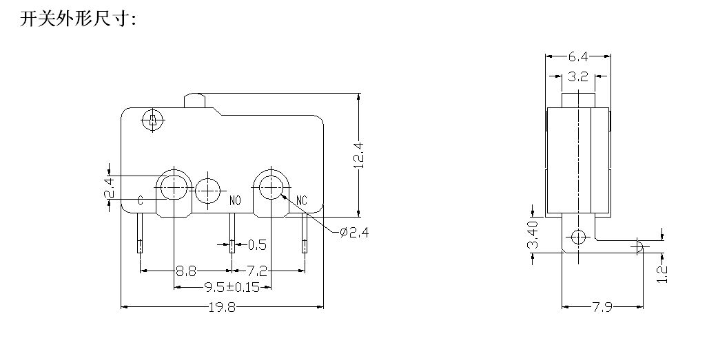
Mikro keçid Spesifikasiya
| Keçidin Texniki Xüsusiyyətləri: | |||
| ƏŞYA | Texniki Parametr | Dəyər | |
| 1 | Elektrik Reytinq | 5(2)A 125V/250VAC 10(3)125V/250VAC | |
| 2 | Əlaqə müqaviməti | ≤50mΩ İlkin dəyər | |
| 3 | İzolyasiya Müqaviməti | ≥100MΩ (500VDC) | |
| 4 |
Dielektrik Gərginlik |
Arasında bağlı olmayan terminallar |
500V/0.5mA/60S |
| Terminallar arasında və metal çərçivə |
1500V/0.5mA/60S | ||
| 5 | Elektrik Ömrü | ≥10000 dövr | |
| 6 | Mexanik Həyat | ≥100000 dövr | |
| 7 | İşləmə temperaturu | -25~125° | |
| 8 | Əməliyyat Tezliyi | Elektrik: 15 dövrə Mexanik: 60 dövrə |
|
| 9 | Vibrasiya Proof | Vibrasiya Tezliyi: 10~55HZ; Amplituda: 1,5 mm; Üç istiqamət: 1H |
|
| 10 | Lehimləmə qabiliyyəti: Batırılmış hissənin 80% -dən çoxu lehimlə örtülməlidir |
Lehimləmə temperaturu: 235±5℃ Daldırma vaxtı: 2 ~ 3S |
|
| 11 | Lehimin İstilik Müqaviməti | Dip Lehimləmə: 260±5℃ 5±1S Əllə lehimləmə: 300±5℃ 2~3S |
|
| 12 | Təhlükəsizlik Təsdiqləri | UL, CSA, VDE, ENEC, CE | |
| 13 | Test şərtləri | Ətraf mühitin temperaturu: 20±5℃ Nisbi Rütubət: 65±5%RH Hava təzyiqi: 86~106KPa |
|
Tongda Tel Elektrik Mikro USB daxili güc açarı Təfərrüatlar

